Categories

vehiculier

Manufacturers

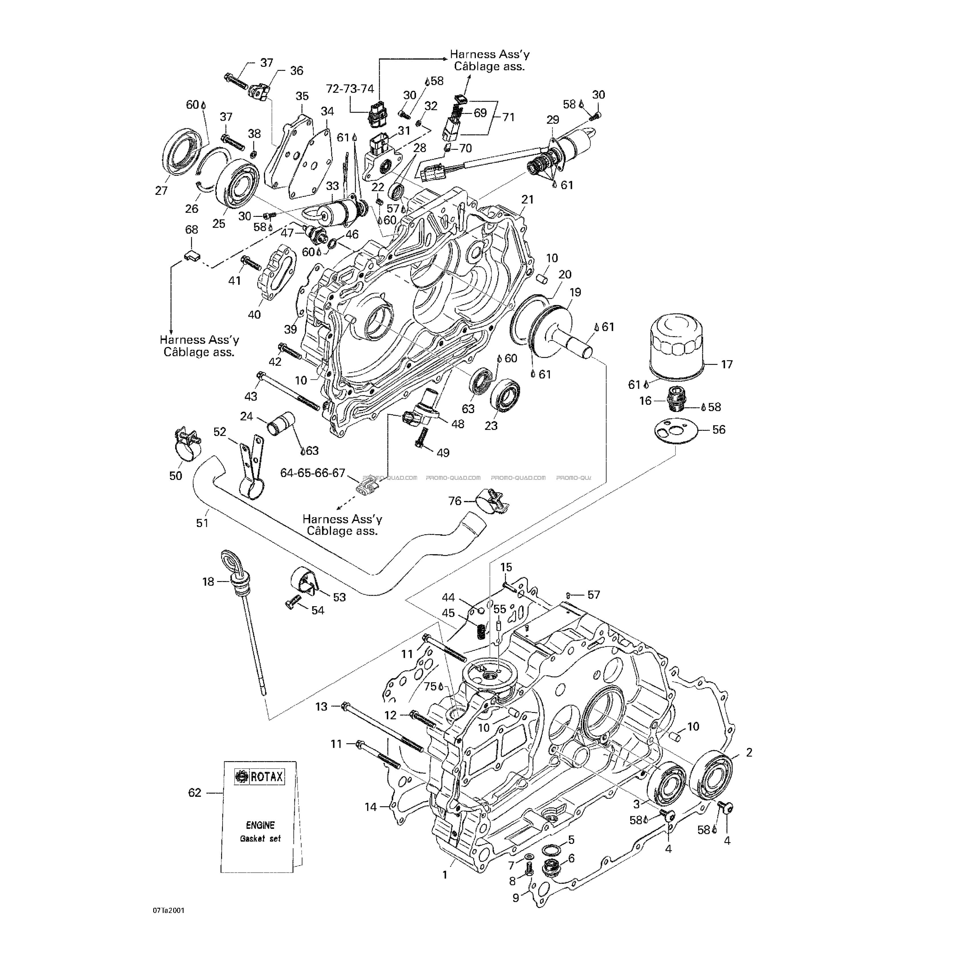
Carter Et Couvercle Embrayage  Can-am  1999 Toutes les cylindrées  Original parts OEM

Here is the diagram showing the Carter Et Couvercle Embrayage for Can-am 1999.
Below, find all references of original and spare parts for Carter Et Couvercle Embrayage for your Can-am 1999 Toutes les cylindrées and available at Promo-quad.com.

As soon as you place your order, we will send you your original or replacement references for your Carter Et Couvercle Embrayage for 1999 Can-am as soon as possible or we will place the order directly with Can-am.

Spare references for Carter Et Couvercle Embrayage of 1999 are generally delivered within the time indicated, however, and depending on certain parts for quad Can-am, we draw your attention to the supply times as we are dependent on Can-am and we always do our best to have the parts of your Can-am 1999 Carter Et Couvercle Embrayage delivered to you as soon as possible. We also draw your attention to the fact that Can-am can at any time provide us with a different replacement part number compatible with your Carter Et Couvercle Embrayage of 1999.

See more...