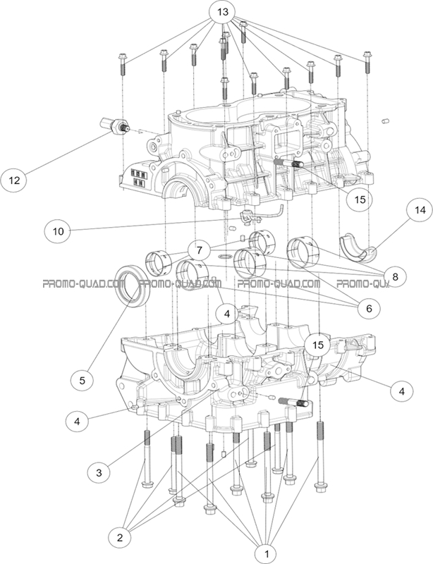
Voici le schéma présentant le CARTERS MOTEUR pour un Segway Toutes les années.
Ci-dessous, retrouvez toutes références des pièces détachées de rechange et d'origine pour CARTERS MOTEUR pour votre Segway Toutes les années Toutes les cylindrées et disponibles chez Promo-quad.com.
Dès le passage de votre commande, nous vous expédions vos références d’origine ou de remplacement pour votre CARTERS MOTEUR pour Toutes les années Segway dans les plus brefs délais ou nous passons la commande directement auprès de Segway.
Les référence de rechanges pour CARTERS MOTEUR de Toutes les années sont généralement livrées dans les délais indiqués, cependant et suivant certaines pièces pour quad Segway , nous attirons votre attention sur les délais d'approvisionnement car nous sommes dépendant de la Segway et nous faisons toujours notre maximum pour que les pièces de votre Segway Toutes les années CARTERS MOTEUR vous soient livrés dans les plus brefs délais. Nous attirons aussi votre attention sur le fait que Segway peut à tout moment nous fournir une référence de pièce différente de remplacement mais compatible avec votre CARTERS MOTEUR de Toutes les années.