Catégories

Pièces d'origines

Fabricants

Habitacle - Mur Coupe Feu  Can-am  2020 Toutes les cylindrées  pièces OEM

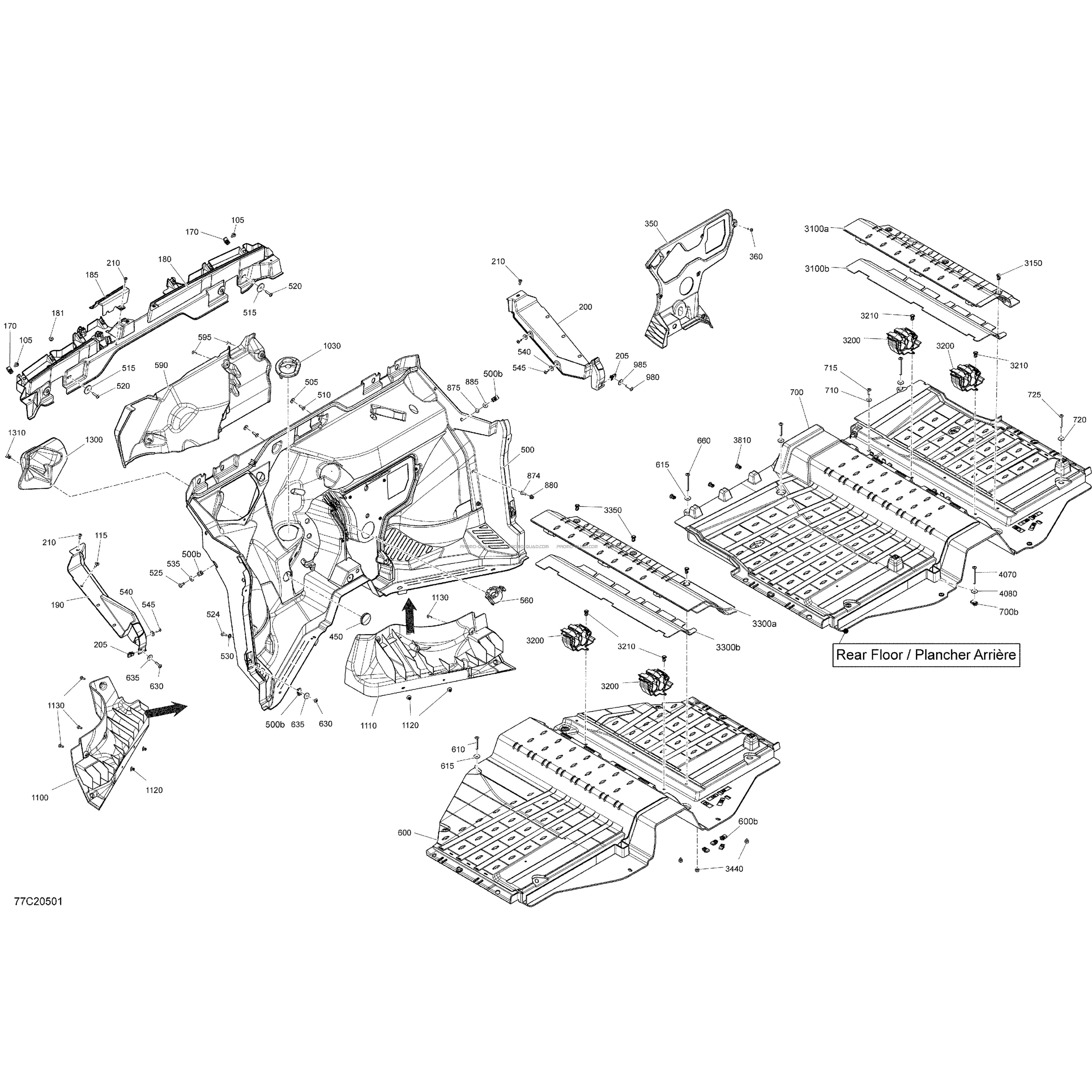
Voici le schéma présentant le Habitacle - Mur Coupe Feu pour un Can-am 2020. 
Ci-dessous, retrouvez toutes  références des pièces détachées de rechange et d'origine pour Habitacle - Mur Coupe Feu  pour votre   Can-am 2020 Toutes les cylindrées et disponibles chez Promo-quad.com.

Dès le passage de votre commande, nous vous expédions vos références d’origine ou de remplacement pour votre Habitacle - Mur Coupe Feu  pour 2020  Can-am dans les plus brefs délais ou nous passons la commande directement auprès de Can-am.

Les référence de rechanges pour Habitacle - Mur Coupe Feu de  2020 sont généralement livrées dans les délais indiqués, cependant et suivant certaines pièces pour quad Can-am , nous attirons votre attention sur les délais d'approvisionnement car nous sommes dépendant de la Can-am et nous faisons toujours notre maximum pour que les pièces de votre Can-am 2020 Habitacle - Mur Coupe Feu vous soient livrés dans les plus brefs délais. Nous attirons aussi votre attention sur le fait que Can-am peut à tout moment nous fournir une référence de pièce différente de remplacement mais compatible avec votre  Habitacle - Mur Coupe Feu de  2020.

Voir plus...